District Heating & Cooling La Sagrera
Valoración de alternativas para obtener una red de máxima eficiencia energética en La Sagrera
Valoración de alternativas para obtener una red de máxima eficiencia energética
La empresa BSAV, SA trabaja en una propuesta de climatización centralizada para la nueva estación de alta velocidad y el desarrollo urbanístico del entorno. Una de las soluciones propuestas para la reducción de las energías de origen fósiles es la generación de energía solar fotovoltaica.
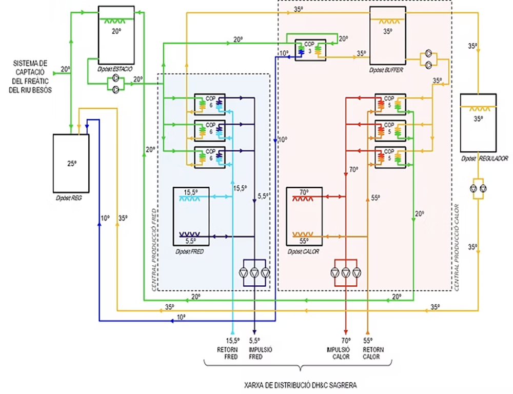
El estudio realizado por EACOM plantea una red de máxima eficiencia energética mediante la aplicación de las siguientes propuestas:
- Aprovechamiento del canje térmico mediante el interconexionado de los sistemas de generación de frío y de calor.
- Desarrollo de instalaciones solar fotovoltaicas a las cubiertas del edificios (nueces y existentes).
- Refrigeración con el agua freática para evitar riesgos de las torres de refrigeración.
- Uso intensivo de la tarifa nocturna con depósitos de acumulación de agua fría y caliente.

